Jaguar Wiring-Diagram DiMarzio Jaguar E Type Series 1 Wiring Diagram
4 conductor humbucker wiring diagram. Stratocaster wiring diagram automotive. Wiring jaguar
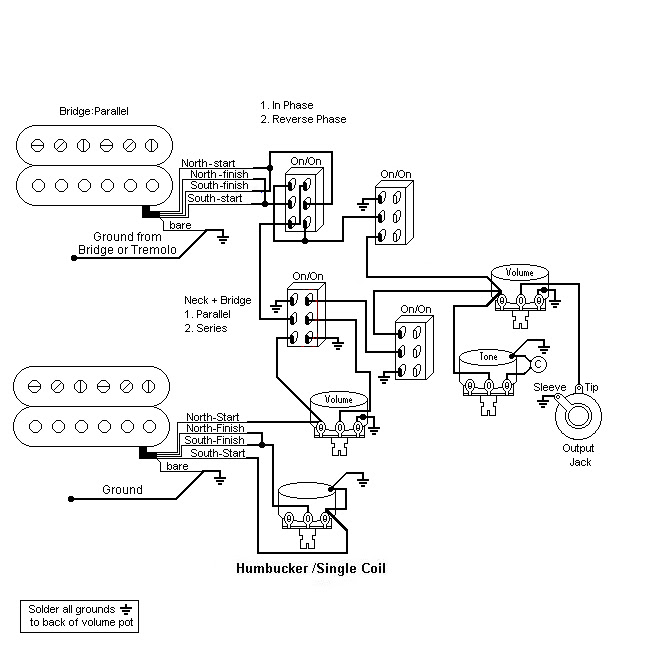
Jaguar Wiring-Diagram DiMarzio
Download PDF
Seymour seymourduncan distortion antiquity strat


4 conductor humbucker wiring diagram. 4 conductor humbucker wiring diagram. Seymour seymourduncan distortion antiquity strat. Stratocaster wiring diagram automotive
Wiring Diagram 12 Volt Solenoid - Search Best 4K Wallpapers
Stratocaster Wiring Diagram Automotive - Complete Wiring Schemas
[Download 30+] Seymour Duncan P Bass Wiring Diagram
count to 100,000 in pictures - Page 1087 - Jaguar Forums - Jaguar
4 Conductor Humbucker Wiring Diagram - Wiring Diagram Networks

Comments
Post a Comment